液體渦輪流量計
渦輪流量計是一種精密流量測量儀表,測量無雜質、無腐蝕液體的流量和總量。它被廣泛用于石油、化工、冶金、科研等領域。
一 、產品概述
1.1 應用場合 渦輪流量計是一種精密流量測量儀表,測量無雜質、無腐蝕液體的流量和總量。它被廣泛用于石油、化工、冶金、科研等領域。
1.2 工作原理 當被測液體流過傳感器時,在流體作用下,葉輪受力旋轉,其轉速與管道平均流速成正比。葉輪的轉動周期地改變磁回路的磁阻值,檢測線圈中的磁通隨之發生周期性變化,產生頻率與葉片旋轉頻率相同的感應電動勢,經放大后,進行轉換和處理。
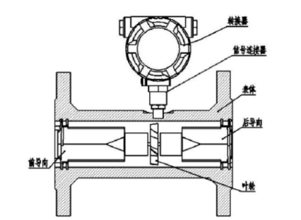
1.3 產品結構 渦輪流量計的基本結構如圖 1-1 所示, 它主要由表體、前導向、后導向、葉輪、信號連接器和轉換器等組成。
法蘭型渦輪流量計結構圖
二、儀表類型
2.1 轉換器

脈沖輸出型 防爆脈沖輸出型 智能顯示型 4-20mA 輸出型
2.2 傳感器

螺紋連接型 法蘭連接型

配件: (卡箍、卡盤) 配件:(夾裝法蘭)

卡箍連接型 夾裝連接型
(卡箍、卡盤非標配) (標配夾裝法蘭)
注: DN50 及以下口徑的夾裝連接型傳感器與防爆脈沖型或 4-20mA 輸出型轉換器配套時需訂制。
三、技術參數
3.1 流量特性
儀表口徑(mm) | 常規流量范圍(m3/h) | 擴展流量范圍(m3/h) | 始動流量(m3/h) | 最大壓損*1(KPa) |
4 | 0.04~0.25 | 0.04~0.4 | 0.02 | 120 |
6 | 0.1~0.6 | 0.06~0.6 | 0.05 | 80 |
10 | 0.2~1.2 | 0.15~1.5 | 0.07 | 50 |
15 | 0.6~3.6 | 0.5~5 | 0.35 | 35 |
20 | 0.8~8 | 0.45~9 | 0.3 | 35 |
25 | 1~10 | 0.5~10 | 0.4 | 35 |
32 | 1.5~15 | 0.8~15 | 0.6 | 35 |
40 | 2~20 | 1~20 | 0.6 | 35 |
50 | 4~40 | 2~40 | 1 | 35 |
65 | 7~70 | 5~70 | 4 | 25 |
80 | 10~100 | 7~100 | 5 | 25 |
100 | 20~200 | 10~200 | 8 | 25 |
125 | 25~250 | 13~250 | 10 | 25 |
說明:
*1 最大壓損是流量計工作在最大流量點時的壓損,介質為水,常溫。
*2 準確度等級 0.2 的產品需訂制,且流量范圍比常規范圍小。
3.2 機械特性
被測介質 | 無雜質、低粘度、無強烈腐蝕性液體 | ||
執行標準 | 渦輪流量傳感器(JB/T9246-1999) | ||
檢定規程 | 渦輪流量計(JJG1037-2008) | ||
儀表口徑及連接方式 | 法蘭連接型 | DN15-DN200 | |
螺紋連接型 | DN4-DN50 | ||
夾裝連接型 | DN4-DN200 | ||
卡裝連接型 | DN4-DN100 | ||
法蘭標準 | 常規標準 | GB/T 9113-2000 | |
其他標準 | 國際管法蘭 | 如:德標DIN、美標ANSI、日標JIS | |
國內管法蘭 | 如:化工部標準、機械部標準 | ||
螺紋規格 | 常規規格 | 英制管螺紋(外螺紋)(參照標準GB/T7307-2001) | |
其他規格 | 內螺紋、球面螺紋、NPT螺紋等 | ||
說明:*1 非國標法蘭需訂制; *2 非常規英制管螺紋需訂制。
耐壓等級
儀表口徑(mm) | 連接方式及耐壓等級 | |||
螺紋連接 | 法蘭連接 | 卡箍連接 | 夾裝連接(訂制) | |
4 | 6.3Mpa((更高耐壓等級) | ˉ | 1.0MPa | ≤42MPa |
6 | ||||
10 | ||||
15 | 4.0MPa(更高耐壓等級可訂制) | |||
20 | ||||
25 | ||||
32 | ||||
40 | ||||
50 | ≤26MPa | |||
65 | ˉ | 1.6MPa(更高耐壓等級可訂制) | ||
80 | ||||
100 | ≤15MPa | |||
125 | ˉ | |||
150 | ||||
200 | ≤11MPa | |||
材質說明
類型 | 表體 | 葉輪 | 前后導向 | 法蘭或卡箍/卡盤 | ||||
常規 | 訂制 | 常規 | 訂制 | 常規 | 訂制 | 常規 | 訂制 | |
螺紋連接 | 304 | 316 | 2Cr13 | 雙向鋼 | 304 | 316 | ﹣ | ﹣ |
法蘭連接 | 202/304 | 316 | ||||||
夾裝連接 | 碳鋼 | 304/316 | ||||||
卡箍連接 | 304 | ﹣ | ||||||
圖 4-1 螺紋連接示意圖

DN4~DN10 螺紋連接傳感器(含直管段) DN15~DN50 螺紋連接傳感器
DN4~DN10 螺紋連接傳感器(含直管段) DN15~DN50 螺紋連接傳感器
表 4-1 螺紋連接尺寸對照表
儀表口徑(mm) | L*(mm) | H(mm) | G(外螺紋) | |||
脈沖型 | 防爆脈沖型 | 4-20mA 輸出型 | 智能顯示型 | |||
4 | 225 | 140 | 145 | 145 | 190 | G1/2 |
6 | 225 | 140 | 145 | 145 | 190 | G1/2 |
10 | 345 | 145 | 150 | 145 | 190 | G1/2 |
15 | 75 | 145 | 150 | 150 | 195 | G1 |
20 | 80 | 150 | 155 | 155 | 200 | G1 |
25 | 100 | 155 | 160 | 160 | 205 | G11/4 |
32 | 140 | 175 | 180 | 180 | 225 | G2 |
40 | 140 | 180 | 185 | 180 | 230 | G2 |
50 | 150 | 185 | 190 | 190 | 235 | G21/2 |
說明: 以上 DN4-DN10 流量傳感器含出廠標配的直管段尺寸,DN15-DN50 口徑流量傳感器
不含直管段尺寸。
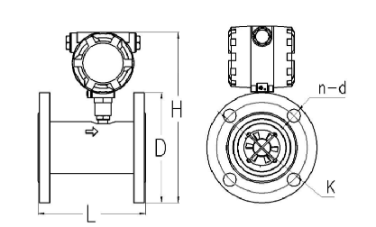
圖 4-2 法蘭連接示意圖

表4-2 法蘭連接尺寸對照表
儀表口徑(mm) | L (mm) | D (mm) | K (mm) | d(mm) | n(孔數) | 標配耐壓 | ||||
脈沖輸出型 | 防爆脈沖輸出型 | 4-20mA 輸出型 | 智能顯示型 | |||||||
15 | 75 | 95 | 65 | 175 | 180 | 180 | 225 | 14 | 4 | 2.5MPa |
20 | 80 | 105 | 75 | 185 | 190 | 190 | 235 | 14 | 4 | |
25 | 100 | 115 | 85 | 200 | 195 | 195 | 240 | 14 | 4 | |
32 | 140 | 140 | 100 | 210 | 215 | 215 | 255 | 18 | 4 | |
40 | 140 | 150 | 110 | 195 | 220 | 220 | 265 | 18 | 4 | |
50 | 150 | 165 | 125 | 230 | 235 | 235 | 275 | 18 | 4 | |
65 | 170 | 185 | 145 | 255 | 260 | 260 | 305 | 18 | 8 | 1.6MPa |
80 | 200 | 200 | 160 | 260 | 265 | 265 | 310 | 18 | 8 | |
100 | 220 | 220 | 180 | 285 | 285 | 285 | 330 | 18 | 8 | |
125 | 250 | 250 | 210 | 310 | 315 | 315 | 360 | 18 | 8 | |
150 | 300 | 285 | 240 | 345 | 345 | 345 | 390 | 22 | 8 | |
200 | 350 | 340 | 295 | 395 | 400 | 400 | 445 | 22 | 12 | |
接線說明 脈沖輸出型 輸出線定義
線材顏色 | 符號名稱 | 接線內容 |
紅色 | 24V+ | 供電電源:“24V+” |
白色 | 電源﹣ | GND |
黃色 | 脈沖 | 輸出信號 |
防爆脈沖輸出型

注:脈沖輸出滿足以下條件:
高電平幅值>22V,低電平幅值<0.8V, 脈沖頻率≦3000Hz
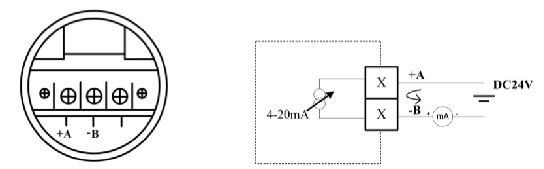
4-20mA 電流輸出型

注:電流負載電阻<500Ω
智能顯示型
輸出方式 | |||||||||
供電方式 | 顯示 | 脈沖*1 | 當量脈沖*2 | 電流 | RS485 | ||||
兩線制4-20mA | 三線制4-20mA | 三線制0-20mA | 四線制4-20mA | 四線制0-20mA | |||||
電池*3 | ● | ||||||||
DC24V | ● | ● | ● | ● | ● | ○ | ● | ||
電池+DC24V*4 | ● | ● | ● | ● | ● | ○ | ● | ||
AC220V | ● | ● | ● | ● | ○ | ● | |||
符號描述:●標配 ○選配 | |||||||||
說明:
*1 脈沖是指與葉輪轉速成正比的脈沖信號,其頻率與瞬時流量成正比;
*2 當量脈沖是指每達到單位累積量(如 1m3、1L 或 0.01L 等)時輸出的脈沖信號;
*3 電池型號為 ER34615,壽命可達 2 年以上;
*4 電池型號為 ER26500,屬于備用電池,若僅電池供電,壽命可達 1 年以上。
DC24V 供電接線說明


